Search Dental Tribune

El láser en Endodoncia (9)

El láser es útil para eliminar los restos dentinarios durante la preparación del conducto principal. (Foto: Shutterstock)

vie. 11 noviembre 2022

guardar

El Láser en Odontología 9 – Este es el noveno artículo de una Edición Especial de Dental Tribune sobre el Láser en Odontología.

— EL LASER EN ODONTOLOGIA —

Serie de 12 artículos de Dental Tribune

El ex Presidente de la Asociación Iberolatinoamericana de Endodoncia, Jaime Donado, describe en este artículo los efectos del láser en su especialidad y explica los beneficios de la desinfección de los conductos radiculares con láser de diodo y de la remoción de microrganismos y sus biopelículas del interior del conducto.

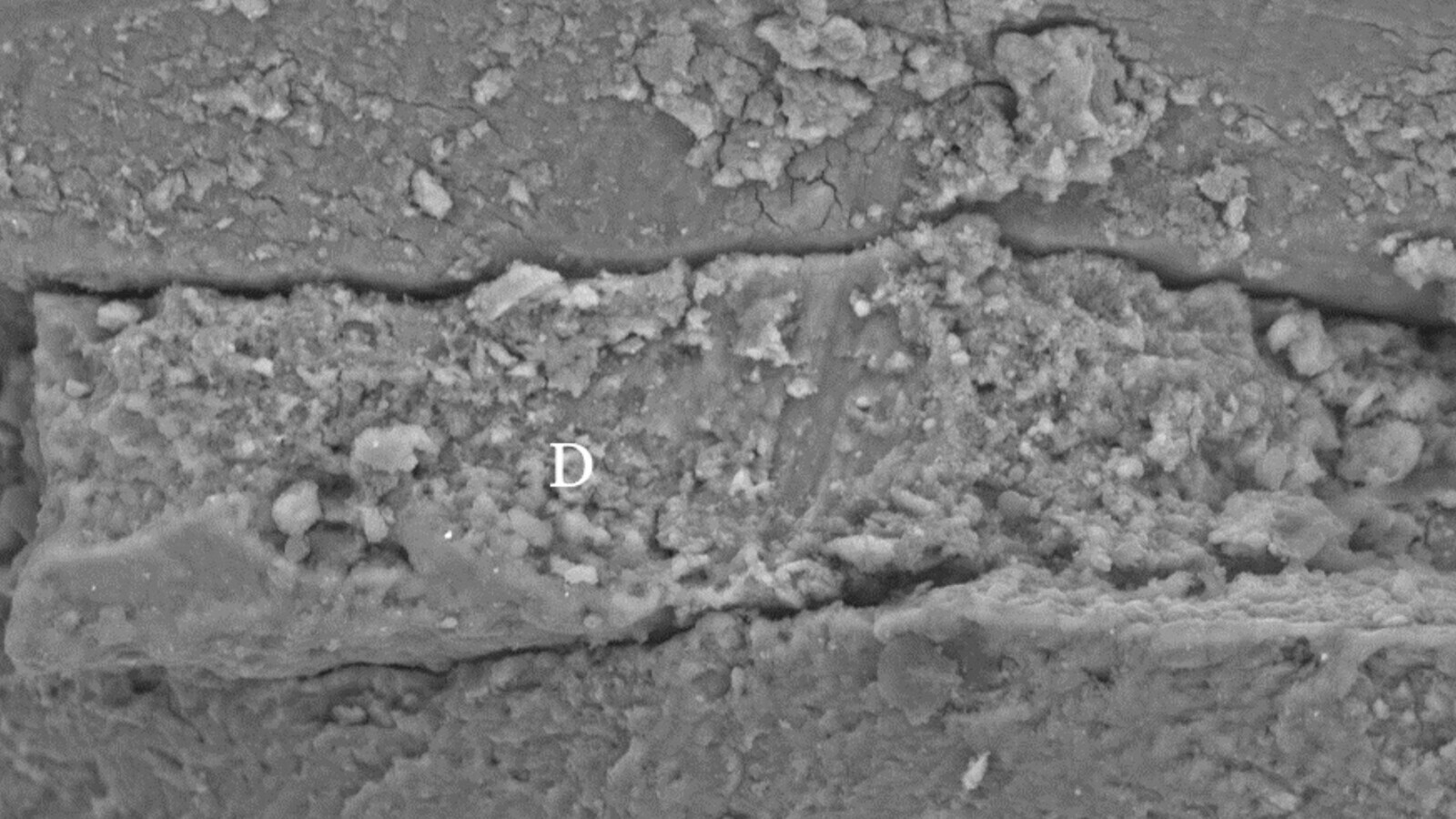
La Endodoncia ha tenido una explosión tecnológica en las últimas cuatro décadas, con la introducción de dispositivos como localizadores apicales, ultrasonidos, microscopios operatorios, motores eléctricos y limas con aleaciones de NiTi, sistemas de radiografía y tomografía cada vez más eficientes, y cirugías guiadas por navegador, por mencionar algunos avances. A pesar de toda esta tecnología endodóntica, aún tenemos retos que alcanzar, como conseguir una desinfección eficiente en presencia de bacterias en el intrincado sistema de conductos radiculares, o evitar la acumulación de restos dentinales o barrillo dentinario que bloquea los istmos y conductos accesorios y laterales (Fig. 1).

Figura 1. Conducto accesorio completamente obliterado con restos dentinales (D) de la preparación del conducto principal.

Esquemáticamente, el tratamiento de Endodoncia consiste en una instrumentación mecánica combinada con una irrigación con soluciones desinfectantes y, eventualmente, la colocación de medicamentos entre citas para ayudar en la desinfección. La instrumentación puede bajar la carga bacteriana, pero recordemos que la periodontitis apical es una enfermedad de la biopelícula, y que alrededor del 35% del área total superficial de los conductos queda sin tocar, independiente de la técnica utilizada (Fig. 2). El hipoclorito de sodio (NaOCl) continúa siendo el irrigante de elección durante la preparación biomecánica, por su amplio espectro de acción antimicrobiana y su capacidad para disolver el tejido orgánico. El otro punto importante durante la irrigación es la eliminación del barrillo dentinario, formado sobre las paredes del conducto por la acción de los instrumentos utilizados; esto lo podemos realizar con ácido etilendiaminotetraacético (EDTA) al 17% como parte del lavado final. Recientemente, se han incorporado sistemas de agitación de las soluciones irrigadoras utilizando tecnología de activación sónica (Endo Irrigator), ultrasónica (PUI) y multisónica (GentleWave). Entre los sistemas que ayudan en la desinfección radicular destacan los láseres de diferentes longitudes de onda y diferentes mecanismos de acción.

Figura 2. Ultimo milímetro apical de un conducto radicular, donde se puede apreciar el área donde tocaron los instrumentos reciprocantes la pared del conducto por la formación del Barro Dentinario (BD) y otras áreas con los calcosferitos intactos (C); también podemos apreciar conductos accesorios (*) sin obliterar en las zonas de calcosferitos intactos.

La primera referencia que tenemos de la utilización del láser en Endodoncia corresponde a una investigación preliminar en la cual Weichman y Johnson de la Universidad del Sur de California intentan sellar un ápice radicular, en 1971, con un láser de dióxido de carbono (CO²)1. Y la primera aplicación de un láser para la desinfección radicular, fue descrita en 1986, por Zakariasen et al, utilizando también un láser de dióxido de carbono2. Los láseres han sido utilizados en Endodoncia para el diagnóstico pulpar (Flujometría por Láser Doppler) y a nivel terapéutico en la irradiación directa de los conductos radiculares, en la activación de los irrigantes, combinándolos con fotosensibilizadores (terapia fotodinámica antimicrobiana) en el manejo del dolor y la inflamación postoperatoria (fotobiomodulación).

Flujometría por Láser Doppler

Se trata de un método no invasivo para medir el flujo sanguíneo pulpar. Los métodos diagnósticos tradicionales utilizados, como pruebas térmicas o eléctricas, no determinan realmente la vitalidad pulpar, solo la sensibilidad al estímulo recibido. La luz láser se envía a través de una fibra óptica en contacto con la superficie dental que es absorbida por los eritrocitos en el plexo capilar pulpar, se dispersa y sufre un cambio de frecuencia de acuerdo con el principio Doppler; por el contrario, los objetos estacionarios no sufren estos cambios. La luz emitida por el aparato mide el flujo de células sanguíneas (número de eritrocitos multiplicado por la velocidad promedio). La proporción de la luz desplazada es detectada por un fotorreceptor; como esta señal es muy débil, se amplifica y se realiza un cálculo matemático (análisis de Fourier) de las trazas detectadas, lo que permite determinar una frecuencia de latido cardíaco. Pero ésta es una técnica muy sensible, que requiere además mucha preparación: hay que hacer una guía de material opaco o fijar la fibra óptica a una grapa endodóntica y realizar un aislamiento con tela de caucho opaca para evitar la interferencia de los tejidos vecinos. El paciente debe estar sentado en posición semi supina, libre de drogas incluyendo anestésicos locales, la luz ambiental debe ser similar en las diferentes sesiones, y éstas se deben realizar a la misma hora del día.

PUBLICIDAD

Terapia fotodinámica con láser

La terapia fotodinámica (PDT) es una terapia que involucra tres elementos: una fuente luminosa, un fotosensibilizador y el oxígeno, especialmente el intracelular. Se caracteriza por ser una intervención mínimamente invasiva, presentar baja toxicidad a los tejidos normales y mínimos efectos sistémicos y no generar mecanismos intrínsecos o adquiridos de resistencia.

El mecanismo de acción es que el fotosensibilizador (PS) selectivamente acumulado y retenido en la bacteria es activado por la absorción de fotones de una luz con una longitud de onda que concuerde con la banda de absorción del colorante, llevándolo a un estado electrónico excitado triplete, el cual le permite reaccionar con el oxígeno por una de las dos diferentes vías fotoquímicas, llamadas Tipo I y Tipo II. La Tipo I involucra una transferencia de electrones para producir radicales hidróxilos, mientras que la vía II involucra transferencia de energía para producir oxígeno singlete, ambos son especies reactivas de oxígeno (ROS) que pueden dañar todo tipo de biomoléculas (proteínas, lípidos y ácidos nucleicos) causando estrés oxidativo, afectando la membrana plasmática celular, inhibiendo la actividad de sus enzimas y el transporte a través de ella. O también causando oxidación de los constituyentes celulares, que pueden terminar en la muerte celular.

Vale la pena recalcar que cuando nos referimos a los dos tipos de oxidaciones fotosensibilizadas, el término sustrato empleado originalmente no se refiere al tejido, sino como se aclara más adelante, el sustrato es “la molécula a ser oxidada”.

"En Endodoncia, se recomienda la terapia fotodinámica como un complemento a la preparación e irrigación del sistema de conductos radiculares, en particular en casos de infecciones secundarias, retratamientos y lesiones periapicales refractarias al tratamiento".

La PDT está relacionada con tres aspectos: (i) la capacidad de interacción del fotosensibilizador con la membrana bacterial, (ii) la habilidad del fotosensibilizador para penetrar y actuar dentro de la célula y (iii) la formación de las ROS, especialmente del oxígeno singlete reactivo, alrededor de la bacteria. En el primer punto es interesante recordar que la cadena respiratoria aerobia se localiza en la membrana plasmática de las bacterias. Además, se debe tener en cuenta la diferencia en su fisiología de las bacterias Gram positivas y Gram negativas; las especies Gram positivas tienen una membrana citoplasmática rodeada por una pared relativamente porosa compuesta por peptoglicanos y ácido lipoteicoico que permite la penetración del PS. El recubrimiento celular de las Gram negativas, sin embargo, consiste en una membrana citoplasmática interna y otra externa separadas por un periplasma que contiene peptoglicanos. La membrana externa forma una barrera y tiende a restringir la entrada de ciertos PS. Desde hace muchos años se tiene claro que los PS aniónicos, catiónicos y neutros penetran y actúan sobre las bacterias Gram positivas, pero solo los catiónicos penetran en las Gram negativas. Recientemente se han presentado estrategias que permiten permeabilizar las Gram negativas, entre éstas la utilización de ácido edético o EDTA.

Entre los fotosensibilizadores más ampliamente utilizados están el Azul de metileno y el Azul de toluidina, que tienen un efecto sobre una amplia variedad de bacterias Gram positivas y Gram negativas y también sobre hongos. La concentración de Azul de metileno en el rango de 0.01% a 0,001% es el más efectivo para producir la mayor cantidad posible de oxígeno singlete.

Las longitudes de onda que concuerdan con las bandas de absorción de los diferentes colorantes, son, para el colorante azul una longitud de onda entre 630 y 660 nm, para el verde una longitud de onda entre 800 y 830 nm y para el amarillo una longitud de onda de 450 nm.

Con respecto a las biopelículas, la actividad antimicrobiana de la PDT tiene un efecto directo sobre las moléculas extracelulares, por la acción del oxígeno singlete que tiene una alta reactividad química.

En Endodoncia, se recomienda la PDT como un complemento a la preparación e irrigación del sistema de conductos radiculares, en particular en aquellos casos de infecciones secundarias, retratamientos y lesiones periapicales refractarias al tratamiento endodóntico. Igualmente, en casos necróticos que se deseen realizar en una sola sesión.

Sugerimos utilizarlo en el momento previo a la obturación, al concluir el protocolo de irrigación (que ojalá incluya la utilización de EDTA). Lo recomendado es secar el conducto, aplicar el Azul de metileno a 0,01%, activarlo por cualquier medio mecánico para asegurar una mayor penetración en el sistema de conductos, dejarlo durante un minuto, y luego aplicar un láser de 630-660 nm, durante tres minutos por conducto, introduciendo la fibra óptica de 200 micras a un milímetro de la longitud de trabajo. Una vez finalizado este tiempo, deben realizarse lavados profusos con NaOCl para retirar el Azul de metileno de las paredes del conducto radicular. Objetivo fácil de alcanzar si se utiliza la concentración sugerida de 0,01% o de 0,001%.

Desinfección de conductos con láser de diodo

Los primeros intentos de desinfectar los conductos radiculares con láser se llevaron a cabo utilizando la energía térmica producida. Esta técnica ha sido retomada y estudiada ampliamente, definiendo parámetros para el uso de los láseres de diodo, tiempos de acción y reposo, mecanismos de acción y selección de puntas apropiadas para realizar lo que algunos autores denominan “Endodoncia convencional láser” o “Desinfección endodóntica asistida por láser”, donde un efecto bactericida ocurre predominantemente a través de un efecto fototérmico. Dada su alta profundidad de penetración en la dentina (se ha demostrado en más de 1000 micras), a través de la dispersión y la transmisión a lo largo de los túbulos dentinales que servirían como “guías de luz” se podrían alcanzar bacterias en el interior de los mismos. Si pensamos que la energía fotónica de los láseres en el infrarojo cercano tiene una alta afinidad por cromóforos como la melanina, entonces solo los microrganismos pigmentados serían sus células blanco, pero el mecanismo de acción antibacteriano, como mencionamos anteriormente, ocurre por el daño fototérmico.

Debemos puntualizar que esta técnica, al igual que la PDT, son complementarias a una preparación biomecánica y una irrigación adecuada previas, optimizando los resultados de la terapia endodóntica.

"Los láseres de diodo utilizados conjuntamente con protocolos de irrigación conllevan a una significativa eliminación de bacterias y el patrón morfológico producido permanece inalterable".

Los parámetros sugeridos son: utilizar 1,5 W a CW, o también 3W a 100 Hz. Antes de realizar la obturación, secamos el conducto, y colocamos la fibra óptica de 200 micras a 1 mm antes de la longitud de trabajo, activamos el láser y la retiramos con movimientos helicoidales a una velocidad de 2 mm por segundo, repetimos la irradiación 4 veces con intervalos de reposo de 10 segundos entre cada una. Estos períodos de reposo entre irradiaciones evitan los incrementos marcados de temperatura. La injuria térmica es el problema más importante al utilizar la terapia láser, ya que la máxima temperatura permitida en la superficie externa del diente y en los tejidos periodontales es de 47 grados centígrados, por un minuto, lo cual representa un incremento en la temperatura aproximado de 10 grados centígrados.

Los láseres de diodo utilizados conjuntamente con protocolos de irrigación conllevan a una significativa eliminación de bacterias y el patrón morfológico producido permanece inalterable.

Láseres para potencializar la irrigación

Los láseres de erbio Er:YAG (2940 nm) y ER,Cr:YSGG (2790 nm) presentan una alta afinidad por el agua y la hidroxiapatita, lo que les permite la ablación de tejidos dentales duros. Sin embargo, lo que nos interesa es la agitación o el movimiento rápido que producen en los fluidos dentro de un conducto radicular, creando un fenómeno de cavitación y corriente acústica como resultado de los efectos fotomecánicos y fototérmicos. Debemos colocar nuestra punta a tres milímetros de la longitud de trabajo, y, al activar el láser, el alto pico de poder experimentado durante la emisión pulsada, más la alta absorción de estos láseres en las soluciones irrigadoras, causan vaporización y formación en el extremo de la punta utilizada de grandes burbujas elípticas de vapor. Estas causan una expansión volumétrica mayor de 1600 veces el volumen original del irrigante, ejerciendo una alta presión intraconducto, la cual mueve el fluido hacia las paredes del conducto y hacia afuera del mismo. Luego las burbujas implosionan después de uno 100 a 200 milisegundos, creando una presión que succiona el irrigante nuevamente al interior del conducto, induciendo efectos de cavitación secundarios. Además, al utilizar NaOCl, obtenemos un efecto químico adicional al incrementarse la tasa de disolución del tejido orgánico con su activación por los láseres de Erbium. Como el movimiento del irrigante es extremadamente turbulento, esto facilita la remoción de los microrganismos y sus biopelículas del interior del conducto. Esta técnica ha demostrado ser efectiva en la remoción del barrillo y de los restos dentinales. Los parámetros recomendados son 75mJ, 20 Hz a 1,5W.

Recientemente, la casa EdgeEndo ha lanzado al mercado un láser de Er,Cr:YSGG denominado EdgePro (Fig. 3) específico para la irrigación de los conductos radiculares, indicando como sus ventajas un tiempo de trabajo reducido, la posibilidad de realizar tratamientos de dientes con Periodontitis Apical en una sesión, la remoción de tejido infectado, biopelículas y barro dentinario, eliminando el 99% de las bacterias comúnmente encontradas en los conductos radiculares.

Figura 3. Caso clínico de control de dolor e inflamación en el diente 48 al aplicar en el postoperatorio inmediato Fotobiomodulación mediante láser.

Fotobiomodulación

Es un procedimiento no traumático, no invasivo y no carcinogénico puede proveer un beneficio terapeútico, como acelerar procesos celulares (cicatrización de heridas), conducir a una mejor reparación (tejidos), disminuir la inflamación y reducir el dolor. Muchas longitudes de onda en el espectro del rojo (600-700 nm) y del infrarojo cercano (770-1000 nm) han mostrado resultados positivos. En la región entre los 700 y los 770 nm los resultados no han sido tan satisfactorios. Recientemente, las longitudes de onda correspondiente al azul y al verde han estado siendo exploradas, pero presentan problemas con la profundidad de penetración. A diferencia de otros procedimientos láser, la Fotobiomodulación no es un mecanismo ablativo o térmico, sino más bien un fenómeno fotoquímico comparable a la fotosíntesis de las plantas, donde la luz absorbida genera cambios químicos. Su mecanismo de acción es inducir una respuesta biológica a través de la transferencia de energía.

Con respecto a los mecanismos moleculares de la PBM, los podemos resumir como sigue:

(i) Cromóforos, dentro de los cuales están la citocromo c-oxidasa (para los láseres entre 600 y 810 nm), señalamiento mitocondrial retrógrado, los canales iónicos sensibles a la luz (para los láseres en el infrarrojo cercano entre 810 y 1064 nm) y un efecto directo mediado por luz en algunas moléculas.

(ii) Los efectos secundarios de la absorción de los fotones incluye incrementos en las moléculas de señalamiento como el ATP y el AMP cíclico, la modulación de las Especies Reactivas del Oxígeno, la modulación de los niveles del calcio y el incremento en el óxido nítrico.

(iii) Los efectos terciarios incluyen la activación de un amplio rango de factores de transcripción que conducen a mejorar la supervivencia celular, incrementar la producción y migración de nuevas síntesis de proteínas. Entre éstos destacan el factor nuclear Kappa B, el RANKL, el factor inductor de hipoxia, la PPAR y el RUNX2, la vía del Akt/mTOR/ciclina D1, la EPK/FOXM1, la vía de AKt-GSK3B, la β-catenina.

(iiii) Finalmente, el rango de las moléculas efectoras, y entre éstas, el factor de crecimiento transformante, el estrés oxidativo, las citoquinas pro y antiinflamatorias, el factor neurotrófico derivado del cerebro, el factor de crecimiento vascular endotelial, el factor de crecimiento de hepatocito, el factor de crecimiento fibroblástico, el factor de crecimiento de queratinocitos, y las proteínas de choque térmico.

"A diferencia de otros procedimientos láser, la Fotobiomodulación no es un mecanismo ablativo o térmico, sino más bien un fenómeno fotoquímico comparable a la fotosíntesis de las plantas, donde la luz absorbida genera cambios químicos".

El punto que nos interesa, es el efecto analgésico de la PBM en Endodoncia. Estudios in vivo han demostrado que puede inhibir la función nerviosa. Otras alteraciones producidas por la PBM incluyen bloqueo de la conducción local, disrupción del flujo axonal e inhibición de ciertos nociceptores específicos. Todos estos cambios producen un control del dolor y son totalmente reversibles sin ningún efecto colateral. Otra acción de la PBM relacionada con el control del dolor postoperatorio endodóntico (de origen no bacteriano) es la actividad del control antiinflamatorio. La reducción de la inflamación con la PBM se evidencia por el decrecimiento en los mediadores inflamatorios, como PGE2, TNFα. También puede modificar la respuesta proinflamatoria, incrementando la expresión de RNAm y la concentración de proteínas de mediadores anti-inflamatorios como la IL-10.

La fluencia (densidad de energía) usada está generalmente entre 1 y 20 J/cm2, mientras que la irradiancia (densidad de poder) puede variar ampliamente dependiendo de la fuente de la luz y el tamaño del spot. Valores desde 5 a 50 mW/cm2 son comúnmente utilizados para bioestimulación y reparación, mientras que irradiancias mucho mayores (por encima de 1 W/cm2) pueden ser utilizadas para inhibición de transmisión nerviosa y alivio del dolor.

Las profundidades de penetración de la radiación láser en PBM, han sido reportadas en la literatura. Las longitudes de onda de 650 nm pueden ser transmitidas entre 8 y 10 mm, 830 nm entre 30 y 40 mm, y por encima de 50 mm para longitudes de onda de 903-980 nm3.

Por lo tanto, para la utilización en Endodoncia, un láser de baja intensidad de 630-660 nm es el adecuado para el control del dolor y la inflamación en la zona periapical o en el caso de una cirugía periapical.

_________________________________________________________________________________________

El Dr. Jaime Enrique Donado Manotas es Odontólogo Especialista en Endodoncia, con Maestría en Ciencia Biológicas. Máster en Láser en Odontología (MLO/EMDOLA). Docente de pregrado y postgrado. Expresidente de la Asociación Colombiana de Endodoncia y de la Asociación ÍberoLatinoamericana de Endodoncia. Actualmente es vicepresidente de la Asociación Colombiana de Odontología Láser (ASOCOLASER).

Ver Bibliografía debajo

Serie de artículos de Edición Especial sobre Láser en Odontología

01. Beneficios del uso del láser — Javier de Pisón
02. Introducción al uso del láser — Antoni España
03. Aplicaciones del láser en Cirugía Bucal — Antoni España
04. Rejuvenecimiento del labio superior — Kathrin Trelles y Mario Trelles
05. Utilización del láser en Implantología  Daniel Abad
06. El uso del láser en Periodoncia  Alfredo Aragüés
07. Terapia Fotodinámica — Marta Pascual
08. Láser en Odontología Conservadora — Josep Arnabat
09. Láser en Endodoncia — Jaime Donado
10. Láser en Prótesis Dental — Hernán Giraldo
11. Fotobiomodulación en odontología — María Pérez
12. Láser en Ortodoncia - Diana Montoya
 

13. EDICIÓN ESPECIAL de DENTAL TRIBUNE sobre Láser en Odontología

Incluye todos estos artículos, promociones, descuentos y extras

• Ediciones Digitales. Consulta más de 15 años de ediciones de Dental Tribune Latinoamérica.

Referencias

  1. Weichman JA, Johnson EM. Laser use in endodontics: A preliminary investigation. Oral Surg Oral Med Oral Pathol 1971;31(3):416-420.
  2. Zakariasen KL, Dederich DN et al. Bactericidal action of CO² laser irradiation in experimental dental root canals. Can J Microbil 1986;32(12):942-946.
  3. Ohshiro T, Ogata H, et al. Penetration depths of 830 nm diode laser irradiation in the head and neck assessed using a radiographic phantom model and wavelength-specific imaging film. Laser Therapy 1996;8(3):197-203.

To post a reply please login or register
advertisement
advertisement